首页
关于我们
公司概况
品牌中心
注册专利
联系我们
产品中心
注塑机电子尺
拉绳位移传感器
LVDT位移传感器
磁致伸缩位移传感器
位移数显表
传感器变送器
传感器集线器
其他
安全光栅
服务中心
应用案例
下载中心
新闻资讯
公司新闻
技术文章
中文
English
0755-88217926
首页
关于我们
公司概况
品牌中心
注册专利
联系我们
产品中心
注塑机电子尺
拉绳位移传感器
LVDT位移传感器
磁致伸缩位移传感器
位移数显表
传感器变送器
传感器集线器
其他
安全光栅
新闻资讯
公司新闻
技术文章
服务中心
应用案例
下载中心
在线商城
语言切换
中文
English
注塑机电子尺
拉绳位移传感器
LVDT位移传感器
磁致伸缩位移传感器
角度传感器
位移数显表
传感器变送器
传感器集线器
多通道数据采集系统
安全光栅
首页
产品中心
传感器集线器
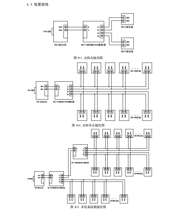
工业级 2 口 RS485 集线器
产品参数 |
Product parameters
杨先生
龙小姐
潘小姐
严小姐
李小姐
刘小姐